Xích răng nhọn dùng trong môi trường ẩm ướt và bụi bẩn

Xích răng sắc là một loại xích truyền động, cấu trúc của nó được đặc trưng bởi một loạt các tấm răng xích và tấm dẫn hướng được lắp ráp xen kẽ, và thông qua trục hoặc sự kết hợp của các yếu tố khớp nối để tạo thành, các khoảng cách giữa các răng liền kề được nối bằng các khớp bản lề.

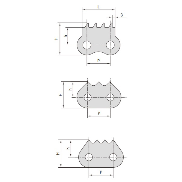
Mô tả

Dây xích răng, được phân loại theo loại hướng dẫn, bao gồm dây xích răng hướng dẫn bên ngoài, dây xích răng hướng dẫn bên trong và dây xích răng hướng dẫn kép bên trong. Hệ thống truyền động bằng dây xích này tận dụng sự ăn khớp chính xác giữa răng dây xích và răng bánh răng để truyền lực và chuyển động, đảm bảo tỷ lệ truyền động trung bình chính xác.

Ưu điểm

  • Công suất truyền động cao và khả năng chịu quá tải mạnh
  • Kích thước truyền động nhỏ gọn trong cùng điều kiện làm việc
  • Yêu cầu lực căng thấp
  • Hoạt động đáng tin cậy trong môi trường khắc nghiệt bao gồm nhiệt độ cao, độ ẩm, bụi và ô nhiễm

Nhược điểm

  • Chi phí cao hơn so với các loại xích khác
  • Dễ bị mài mòn và giãn dài
  • Độ mượt truyền động kém, kèm theo tải động, rung động, va đập và tiếng ồn trong quá trình hoạt động
  • Không phù hợp cho các ứng dụng truyền động đảo chiều nhanh

Tóm lại, xích răng nhọn là lựa chọn lý tưởng cho các ứng dụng yêu cầu truyền động công suất cao trong môi trường khắc nghiệt, nhưng có thể không phù hợp cho các tác vụ yêu cầu đảo chiều nhanh thường xuyên hoặc yêu cầu độ ồn và rung động tối thiểu.

Thông số kỹ thuật

bàn kỹ thuật chuỗi cạnh sắc

bảng kỹ thuật chuỗi đỉnh nhọn