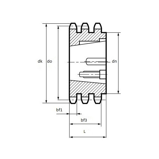
Bánh răng ba lớp có khóa taper, 16B-3, tiêu chuẩn xích con lăn ISO

Thiết kế này sử dụng trục côn và lỗ côn tương ứng, cho phép bánh răng được lắp đặt chắc chắn vào trục bằng cách sử dụng vòng khóa côn mà không tạo khe hở.
Mẫu: Loại B 16B-3 bánh răng khóa côn
Chất liệu: C45, thép không gỉ, thép cứng, v.v.
Xử lý bề mặt: Răng được làm cứng, oxit đen, mạ kẽm, điện phân, v.v.

Mô tả

Bánh răng có vòng khóa thuôn Cung cấp kết nối cơ học chắc chắn giữa trục và bánh răng, đảm bảo kết nối mạnh mẽ và đáng tin cậy cho truyền động mượt mà và hiệu quả. Thiết kế này giúp giảm thiểu tổn thất năng lượng và nâng cao hiệu suất tổng thể của hệ thống.

Tính năng chính

  • Kết nối cơ học bằng sự can thiệp: Kết nối chắc chắn giữa trục và bánh răng, đảm bảo độ tin cậy cao và giảm thiểu trượt.
  • Truyền động hiệu quả: Hoạt động êm ái với ma sát và tiếng ồn thấp, nhờ thiết kế răng chính xác.
  • Tuổi thọ cao: Vật liệu bền bỉ và thiết kế tối ưu giúp kéo dài tuổi thọ của bánh răng và xích, giảm thiểu thời gian ngừng hoạt động và chi phí bảo trì.
  • Lựa chọn vật liệu:
    • Thép C45: Cân bằng giữa độ bền và hiệu quả kinh tế cho các ứng dụng thông thường.
    • Thép không gỉ: Khả năng chống ăn mòn xuất sắc — lý tưởng cho môi trường khắc nghiệt.
    • Thép tôi cứng: Được xử lý nhiệt để tăng cường khả năng chống mài mòn và độ bền.
  • Giảm thiểu bảo trì: Ít phải thay thế, giúp giảm chi phí vận hành tổng thể.

Thông số kỹ thuật

  • Số ISO: 16B-3 (1″ x 17,02mm)
  • Khoảng cách giữa các chân: 25,4 mm
  • Chiều rộng trong: 17,02 mm
  • Đường kính trục: 15,88 mm
  • Chiều rộng răng: 79,6 mm
  • Ba: 2,5 mm (bán kính răng)
  • Rx: 26,0 mm (bán kính răng tối thiểu)

Lợi ích

  • Kết nối chắc chắn và đáng tin cậy cho hệ thống hiệu suất cao
  • Giảm ma sát và tiếng ồn cho hoạt động êm ái hơn
  • Tuổi thọ cao và chi phí bảo trì thấp
  • Các tùy chọn vật liệu đa dạng phù hợp với nhiều môi trường

Chọn bánh răng trục côn khóa của chúng tôi để có độ bền vượt trội, truyền động hiệu quả và chi phí bảo trì thấp trong các ứng dụng đòi hỏi khắt khe.

Thông số kỹ thuật

bảng kỹ thuật bánh răng ba lớp có khóa hình nón 16B-3

bánh răng ba lớp có khóa hình nón 16B-3 - Bảng kỹ thuật