Bánh răng khóa hình nón đơn giản loại B theo tiêu chuẩn ISO

Thiết kế này sử dụng trục côn và lỗ côn tương ứng, cho phép bánh răng được lắp đặt chắc chắn vào trục bằng cách sử dụng vòng khóa côn mà không tạo ra khe hở.
Mẫu: Loại B 20B-1 bánh răng khóa côn
Chất liệu: C45, thép không gỉ, thép cứng, v.v.
Xử lý bề mặt: Răng được làm cứng, phủ oxit đen, mạ kẽm, điện phân, v.v.

Mô tả

20B-1 Bạc đạn khóa hình nón được thiết kế để đạt hiệu suất cao và độ bền trong hệ thống truyền động. Vòng bi khóa hình nón tạo ra sự khớp nối cơ học giữa trục và bánh răng, đảm bảo kết nối chắc chắn và đáng tin cậy.

Tính năng chính

  • Kết nối cơ học bằng sự can thiệp: Đảm bảo kết nối chắc chắn cho truyền động mượt mà và hiệu quả.
  • Hoạt động hiệu quả: Giảm thiểu tổn thất năng lượng và nâng cao hiệu suất tổng thể của hệ thống.
  • Tuổi thọ cao: Cấu trúc bền bỉ giúp giảm thiểu nhu cầu bảo trì và thay thế, từ đó giảm thời gian ngừng hoạt động và chi phí.
  • Hình dạng răng chính xác: Đảm bảo sự ăn khớp tối ưu của xích, giảm ma sát và tiếng ồn, mang lại hoạt động êm ái.
  • Vật liệu chất lượng cao:
    • Thép C45: Cân bằng giữa độ bền và hiệu quả kinh tế.
    • Thép không gỉ: Cung cấp khả năng chống ăn mòn xuất sắc trong môi trường khắc nghiệt.
    • Thép tôi cứng: Được xử lý nhiệt để tăng khả năng chống mài mòn và tuổi thọ cao.

Thông số kỹ thuật

  • Số ISO: 20B-1 (1 1/4“ x 3/4“)
  • Bước răng: 31,75 mm
  • Chiều rộng trong: 19,56 mm
  • Đường kính trục lăn: 19,05 mm
  • Chiều rộng răng: 18,5 mm
  • Ba: 3,5 mm (đường kính bán kính)
  • Rx: 32 mm (bán kính răng tối thiểu)

Lợi ích

  • Kết nối chắc chắn, đáng tin cậy cho hệ thống hiệu suất cao
  • Giảm ma sát, tiếng ồn và chi phí bảo trì
  • Lựa chọn vật liệu đa dạng phù hợp với nhiều môi trường
  • Kéo dài tuổi thọ của bánh răng và xích

Chọn bánh răng 20B-1 Tapered Locking Bushing Sprocket để đạt được độ bền, hiệu suất và độ tin cậy cao nhất trong các ứng dụng truyền động của bạn.

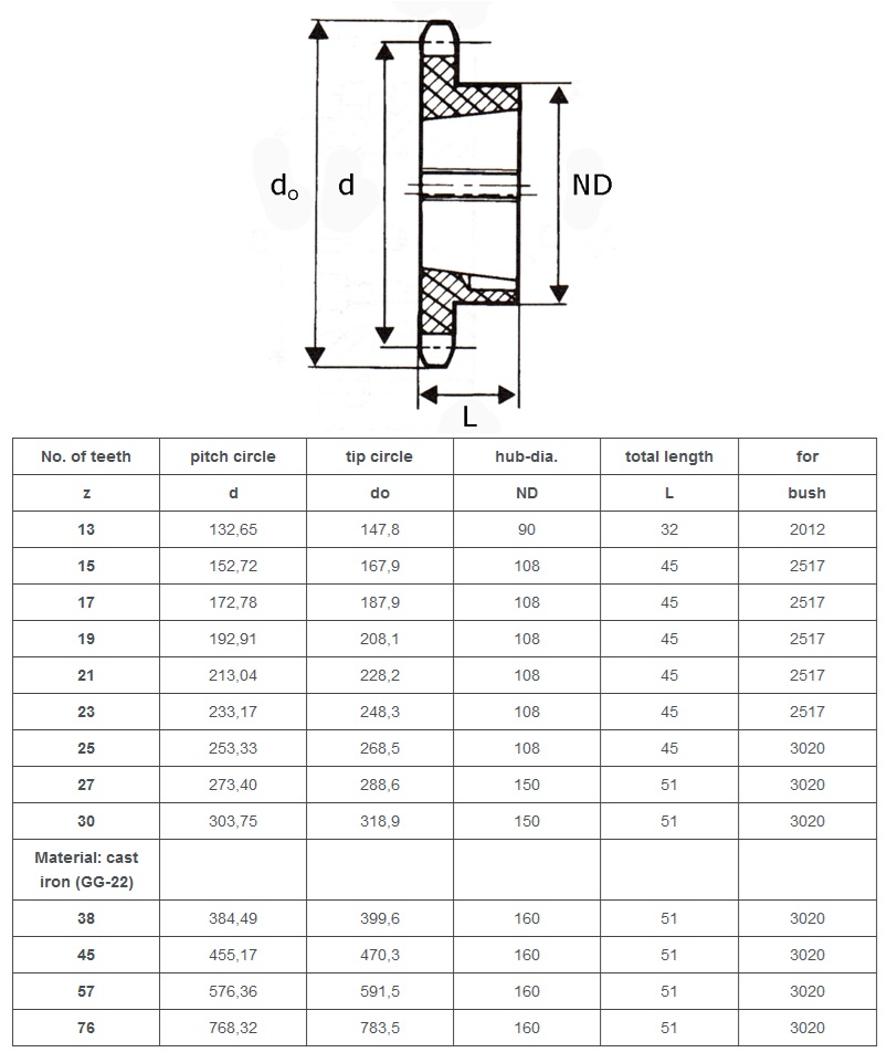
Thông số kỹ thuật

bảng kỹ thuật bánh răng khóa hình nón Simplex 20B-1

bánh răng khóa hình nón đơn giản 20B-1 - Bảng kỹ thuật